REXROTH OIL CONTROL的主要产品有:换向阀,止回阀,电磁阀,平衡阀,球阀,插装阀,单向阀,溢流阀,行程阀,驱动阀,安全阀,阀组,阀块,电磁阀线圈,流量计等等。
REXROTH阀OE150518A009000 R930064978技术参数
Product attributes | |
Product family classification | Solenoid operated valves 2-way 2-positions normally closed |
Product family type | VEI-C |
Product family | VEI-CE-16-08A-NC |
Operating pressure, max. | 210 bar |
Ports number | 2 |
Max. flow | 40 l/min |
Positions | 2 |
Spool Poppet | Poppet type |
Type of connection | Threaded connection |
Direct - Pilot | Pilot operated |
Cavity | CA-08A-2N |
Nominal flow | 40 l/min |
Coil | D36 |
Coil integrated | To be ordered separately |
Ports | G 1/4 |
Sealing material | NBR |
Hydraulic fluid | HL, HLP |
Product family | 2 ways with emergency screw |
Product type | VEI-CE |
Weight | 0.4 kg |
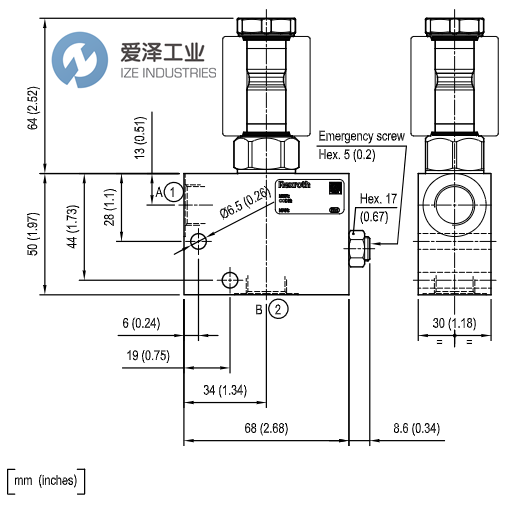
REXROTH阀VEI-CE-16-08A-NC系列规格尺寸

REXROTH阀VEI-CE-16-08A-NC系列选型
REXROTH阀其他常用型号:
REXROTH OE150518A009000 R930064978
REXROTH OE150118A002000 R930066280
REXROTH OE150518A002000 R930064245
REXROTH OE150518A002S00 R930066294
REXROTH OE150518A009S00 R930066262
REXROTH OE153118A002000 R930066563
REXROTH OE153118A002S00 R930066768
REXROTH OE153118A009000 R930066778
REXROTH valve NEW + ORIGINAL+ ONE YEAR WARRANTY
爱泽工业成立于2010年,定位于向先进制造工业提供高端制造技术和设备。代理经营世界先进的电气自动化、机械与传动、流体控制、仪器仪表、工具等产品。作为电气,液压以及气动解决方案的合作伙伴,我们利用我们的全球协作团队,为客户提供先进解决方案,市场知识以及相关增值服务来帮助优化客户的工作效率,提高可靠性和安全性,致力于成为工业产品和解决方案的优质渠道。
如果有任何关于REXROTH阀OE150518A009000 R930064978的疑问,请随时致电我们,爱泽工业(021-31006702)。我们将尽全力解决您的问题。
If you have any question for REXROTH products, please feel free to dial 0086-21-3100 6702/ send request email to sales@ize-industries.com / browse our website: www.ize-industries.com.
REXROTH阀OE150518A009000 R930064978技术参数及选型

沪公网安备31011002006738号