MARZOCCHI成立于1961年,是一家专门从事高品质外啮合齿轮泵和马达的设计、生产和销售的公司。
MARZOCCHI的主营业务有:
微型泵
铝合金管齿轮泵
马达
阀门
轴承支承
多联高低泵
模块泵
动力单元泵
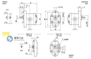
TYPE | 0.5D1,30 |
|
DISPLACEMENT cm²/rev | 100 | |
FLOW at 1500 rev/min litres/min | 150 | |
MAX PRESSURE | ||
P1 bar | 190 | |
P2 bar | 210 | |
P3 bar | 230 | |
MAX SPEED rpm | 6000 | |
DIMENSIONS | ||
M mm | 67 | |
L mm | 305 | |
D | G1/4 |
MARZOCCHI泵其他常用型号:
MARZOCCHI 0.5D0,50
MARZOCCHI 0.5D0,75
MARZOCCHI 0.5D1,00
MARZOCCHI 0.5D1,30
MARZOCCHI 0.5D1,60
MARZOCCHI 0.5D2,00
MARZOCCHI PUMP NEW + ORIGINAL+ ONE YEAR WARRANTY
爱泽工业成立于2010年,定位于向制造工业提供高端制造技术和设备。代理经营世界优质的电气自动化、机械与传动、流体控制、仪器仪表、工具等产品。作为电气,液压以及气动解决方案的合作伙伴,我们利用我们的全球协作团队,为客户提供先进解决方案,市场知识以及相关增值服务来帮助优化客户的工作效率,提高可靠性和安全性,致力于成为工业产品和解决方案的优质渠道。
如果有任何关于MARZOCCHI泵0.5 D 1.30的疑问,请随时与我们沟通(021-31006702)。我们将尽全力解决您的问题。
If you have any question for MARZOCCHI products, please feel free to dial 0086-21-3100 6702/ send request email to sales@ize-industries.com / browse our website:www.ize-industries.com.
MARZOCCHI泵0.5 D 1.30技术参数

沪公网安备31011002006738号