REXROTH OIL CONTROL阀VSO-DE-FC2系列技术参数
Technical data | |
Hydraulic | |
Operating pressure bar (psi) | up to 210 (3000) |
Max. flow l/min (gpm) | 30 (8) |
Pilot ratio | 7 : 1 |
General | |
Manifold material | Aluminium |
Weight kg (lbs) | 0.9 (1.98) |
Fluid temperature range °C (°F) | between -30 (-22) and +100 (212) |
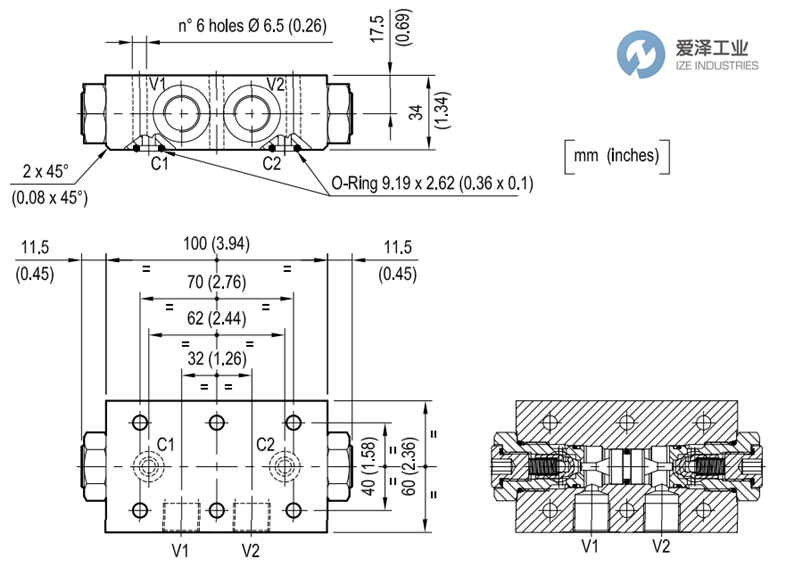
REXROTH OIL CONTROL阀VSO-DE-FC2 系列技术尺寸

REXROTH OIL CONTROL阀VSO-DE-FC2 系列选型

REXROTH OIL CONTROL阀VSO-DE-FC2 系列其他常用型号:
REXROTH OIL CONTROL 055344100200000 R930002460
REXROTH OIL CONTROL 055344000200000 R930002457
REXROTH OIL CONTROL 055344000201000 R930002459
REXROTH OIL CONTROL 055344100201000 R930002461
REXROTH OIL CONTROL VALVE NEW + ORIGINAL+ ONE YEAR WARRANTY
爱泽工业成立于2010年,定位于向制造工业提供高端制造技术和设备。代理经营世界优质的电气自动化、机械与传动、流体控制、仪器仪表、工具等产品。作为电气,液压以及气动解决方案的合作伙伴,我们利用我们的全球协作团队,为客户提供先进解决方案,市场知识以及相关增值服务来帮助优化客户的工作效率,提高可靠性和安全性,致力于成为工业产品和解决方案的优质渠道。
如果有任何关于REXROTH OIL CONTROL阀055344100200000 R930002460的疑问,请随时与我们沟通(021-31006702)。我们将尽全力解决您的问题。
If you have any question for REXROTH OIL CONTROL products, please feel free to dial 0086-21-3100 6702/ send request email to sales@ize-industries.com / browse our website:www.ize-industries.com.
REXROTH OIL CONTROL阀055344100200000 R930002460技术参数及选型

































沪公网安备31011002006738号