REXROTH OIL CONTROL阀VSO-DE-L系列技术参数
Technical data | |
Max operating pressure port C2-C1 | 350 bar (5000 psi) |
Max operating pressure port V2-V1 | 210 bar (3000 psi) |
Max. flow | 20 l/min. (5 gpm) |
Weight | 0.7 kg (1.5 lbs) |
Manifold material | Aluminium |
Fluid | Mineral oil (HL, HLP) according DIN 51524 |
Fluid temperature range | -30 °C to 100 (-22 to 212 °F) |
Viscosity range | 10 to 500 mm2/s (cSt) |
Recommended degree of fluid contamination | Class 19/17/14 according to ISO 4406 |
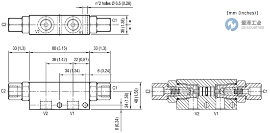
REXROTH OIL CONTROL阀VSO-DE-L系列技术尺寸

REXROTH OIL CONTROL阀VSO-DE-L系列选型

REXROTH OIL CONTROL阀VSO-DE-L系列其他常用型号:
REXROTH OIL CONTROL 055303000900000 R930002424
REXROTH OIL CONTROL 055303370900000 R930002437
REXROTH OIL CONTROL 055303100901000 R930002433
REXROTH OIL CONTROL 055303370901000 R930002438
REXROTH OIL CONTROL 055303000901000 R930002425
REXROTH OIL CONTROL VALVE NEW + ORIGINAL+ ONE YEAR WARRANTY
爱泽工业成立于2010年,定位于向制造工业提供高端制造技术和设备。代理经营世界优质的电气自动化、机械与传动、流体控制、仪器仪表、工具等产品。作为电气,液压以及气动解决方案的合作伙伴,我们利用我们的全球协作团队,为客户提供先进解决方案,市场知识以及相关增值服务来帮助优化客户的工作效率,提高可靠性和安全性,致力于成为工业产品和解决方案的优质渠道。
如果有任何关于REXROTH OIL CONTROL阀055303000901000 R930002425的疑问,请随时与我们沟通(021-31006702)。我们将尽全力解决您的问题。
If you have any question for REXROTH OIL CONTROL products, please feel free to dial 0086-21-3100 6702/ send request email to sales@ize-industries.com / browse our website:www.ize-industries.com.
REXROTH OIL CONTROL阀055303000901000 R930002425技术参数及选型

































沪公网安备31011002006738号