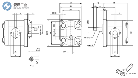
MARZOCCHI齿轮泵GHM2-R-20-E1技术参数
Type | GHM2-R-20-E1 | ![]() |
Displacement cm3 /rev | 14,1 | |
Flow at 1500 rev/min litres/mim | 20,1 | |
Maximum Pressure PI bar | 260 | |
Maximum Pressure PC bar | 250 | |
Maximum Pressure PP bar | 275 | |
Maximum Speed rpm | 4000 | |
Dimensions | ||
L mm | 53 | |
M mm | 107 | |
d mm | 19 | |
h | M8 | |
H | 40 |
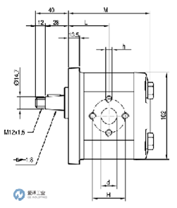
MARZOCCHI齿轮泵GHM2系列技术尺寸

MARZOCCHI齿轮泵GHM2系列选型

MARZOCCHI齿轮泵GHM2系列其他常用型号:
MARZOCCHI GHM2-R-6-E1
MARZOCCHI GHM2-R-9-E1
MARZOCCHI GHM2-R-10-E1
MARZOCCHI GHM2-R-12-E1
MARZOCCHI GHM2-R-13-E1
MARZOCCHI GHM2-R-16-E1
MARZOCCHI GHM2-R 20-E1
MARZOCCHI GHM2-R-22-E1
MARZOCCHI GHM2-R 25-E1
MARZOCCHI GHM2-R-30-E1
MARZOCCHI GHM2-R-34-E1
MARZOCCHI GHM2-R-37-E1
MARZOCCHI GHM2-R-40-E1
MARZOCCHI Gear Motors NEW + ORIGINAL+ ONE YEAR WARRANTY
爱泽工业成立于2010年,定位于向制造工业提供高端制造技术和设备。代理经营世界优质的电气自动化、机械与传动、流体控制、仪器仪表、工具等产品。作为电气,液压以及气动解决方案的合作伙伴,我们利用我们的全球协作团队,为客户提供先进解决方案,市场知识以及相关增值服务来帮助优化客户的工作效率,提高可靠性和安全性,致力于成为工业产品和解决方案的优质渠道。
如果有任何关于MARZOCCHI齿轮泵GHM2-R-20-E1的疑问,请随时与我们沟通(021-31006702)。我们将尽全力解决您的问题。
If you have any question for MARZOCCHI products, please feel free to dial 0086-21-3100 6702/ send request email to sales@ize-industries.com / browse our website:www.ize-industries.com.
MARZOCCHI齿轮泵GHM2系列GHM2-R-20-E1技术参数及选型






















沪公网安备31011002006738号