GGB法兰衬套BB1209DU技术参数
| |
Part No | BB1209DU |
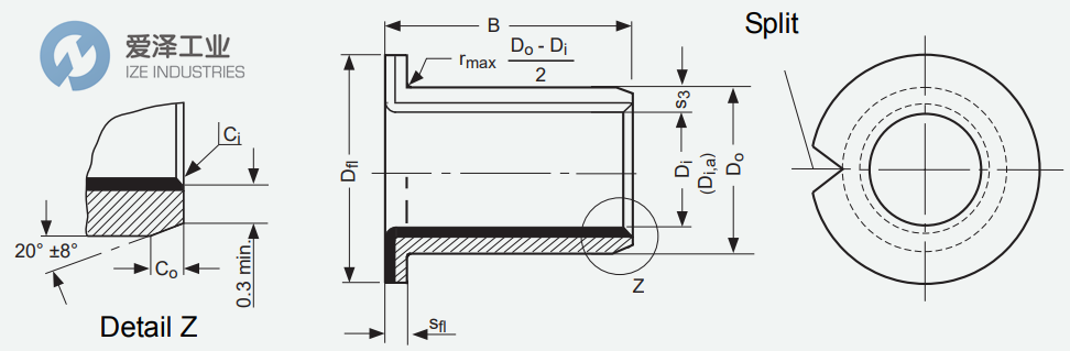
Nominal Diameter | |
D i | 12 |
D o | 14 |
Wall thichness s3 max.min. | 1.005 |
Width B max.min. | 9.25 |
Shaft- ∅ D J [h6, f7] max. min. | 11.984 |
Housing−∅ DH [H6, H7] max. min. | 14.018 |
Bush-∅ Di,a Ass. in H6/H7 housing max. min. | 12.058 |
Clearance CD max. min. | 0.092 |
GGB法兰衬套DU系列其他常用型号:
GGB BB2022DU
GGB BB2512DU
GGB BB2522DU
GGB BB2517DU
GGB BB1209DU
GGB Flanged Bushes NEW + ORIGINAL+ ONE YEAR WARRANTY
爱泽工业成立于2010年,定位于向制造工业提供高端制造技术和设备。代理经营世界优质的电气自动化、机械与传动、流体控制、仪器仪表、工具等产品。作为电气,液压以及气动解决方案的合作伙伴,我们利用我们的全球协作团队,为客户提供先进解决方案,市场知识以及相关增值服务来帮助优化客户的工作效率,提高可靠性和安全性,致力于成为工业产品和解决方案的优质渠道。
如果有任何关于GGB法兰衬套BB1209DU的疑问,请随时与我们沟通(021-31006702)。我们将尽全力解决您的问题。
If you have any question for GGB products, please feel free to dial 0086-21-3100 6702/ send request email to sales@ize-industries.com / browse our website:www.ize-industries.com.
GGB法兰衬套BB1209DU技术规格















沪公网安备31011002006738号