RAVIOLI滑环PMS系列技术参数
Housing | In aluminium, suitable for installation in inside or outside area |
Positioning | In vertical axis, with threaded pipe at the bottom |
Connections | Rings cabled with 2 m long cable |
Cable entry | Inside the fastener pipe for the rings and through the PG21 cable entry for the brush holders |
Brushes | 20 A or 50 A copper graphite / silver graphite for signals |
Executions | From 6 to 30 rings 20 A - mixed executions 20/50 A |
Armonized rules | EN 60947 - 5 - 1 EN 60529 2006/95/CE - 2004/108/CE - 2006/42/CE |
Marking | CE |
Electrical Features | |
Nominal voltage | 660 V ac - dc |
Nominal current | Ith 20 A - 50 A |
Protection degree | IP 55 |
Max rotating speed | 30 revs / min |
Test voltage | 2,5 kV |
Operating temperature | - 20 °C ÷ + 60 °C |
RAVIOLI滑环PMS系列介绍
RAVIOLI PMS型滑环采用合金底和铝盖设计,保证了强大的机械阻力和高防护等级。
提供用于信号的铜石墨或银石墨刷,执行范围为 6 至 30 环 20 A 和 50 A,防护等级 IP55。可根据要求提供一个或多个流体通道或角度传感器。
RAVIOLI PMS型滑环特别适用于需要小尺寸和降低设备高度的户外应用,因为环之间的距离只有 5 毫米。
Ravioli Slip Ring Type PMS is designed with alloy bottom and aluminium cover which guarantee a strong mechanical resistance and a high protection degree.
Copper-graphite or silver-graphite brushes for signals are available, executions range from 6 to 30 rings 20 A and 50 A, protection degree IP55. One or more fluidic passages or angular sensors are available upon request.
Ravioli Slip Ring Type PMS is extremely useful especially for outdoor applications where small dimensions and reduced hight of the device are required, thanks to the limited distance among the rings of only 5mm.
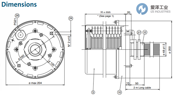
RAVIOLI滑环PMS系列技术尺寸

RAVIOLI滑环PMS系列其他常用型号:
RAVIOLI GPMSB6
RAVIOLI GPMSB10
RAVIOLI GPMSB16
RAVIOLI GPMSB20
RAVIOLI GPMSB26
RAVIOLI GPMSB30
RAVIOLI GPMSB3006
RAVIOLI Slip Ring NEW + ORIGINAL+ ONE YEAR WARRANTY
爱泽工业成立于2010年,定位于向制造工业提供高端制造技术和设备。代理经营世界优质的电气自动化、机械与传动、流体控制、仪器仪表、工具等产品。作为电气,液压以及气动解决方案的合作伙伴,我们利用我们的全球协作团队,为客户提供先进解决方案,市场知识以及相关增值服务来帮助优化客户的工作效率,提高可靠性和安全性,致力于成为工业产品和解决方案的优质渠道。
如果有任何关于RAVIOLI滑环GPMSB3006的疑问,请随时与我们沟通(021-31006702)。我们将尽全力解决您的问题。
If you have any question for RAVIOLI products, please feel free to dial 0086-21-3100 6702/ send request email to sales@ize-industries.com / browse our website:www.ize-industries.com.
RAVIOLI滑环PMS系列GPMSB3006技术参数及尺寸



























沪公网安备31011002006738号