SOLAHD变压器E300规格描述
VA | 300 | |
Catalog Number | E300 | |
Height in (mm) | 4.53 (115.1) | |
Width in (mm) | 5.25 (133.4) | |
Depth in (mm) | 4.66 (118.4) | |
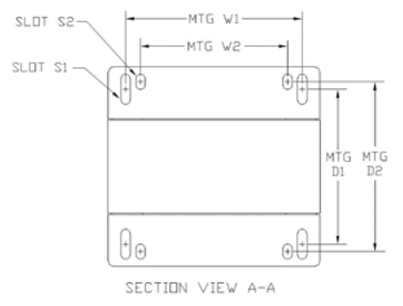
Mtg Width W1 / W2 - in (mm) | 4.38 / 3.75 (111.3 / 95.3) | |
Mtg Depth D1 / D2 - in (mm) | 3.10 / N/A (78.7 / N/A) | |
Slot Size S1 / S2 - in (mm) | .31 x .71 /.31 x .71 (7.9 x 18.0 / 7.9 x 18.0) | |
Approx. Ship Weight lbs (kg) | 12.0 (5.45) |
SOLAHD变压器E300介绍
The SBE - Encapsulated, Copper Wound Series
The SBE Encapsulated industrial control transformers
are epoxy encapsulated to seal the transformer windings against moisture, dirt and industrial contaminants. Extra deep, molded terminal barriers reduce the chance of electrical failure as the result of arcing or frayed lead wires. The rugged construction and proven reliability of the SBE design is uniquely suited for all industrial environments.
Features
• 50 - 1000 VA, 50/60 Hz – suitable for worldwide applications.
• Interleaved copper windings reduce I2R losses and maximize efficiency.
• 55°C Rise, 105°C insulation system to minimize heat
• Epoxy encapsulated to protect cores and coils against moisture, dirt, and other contaminants.
• Meets or exceeds NEMA Standard ST-1 and ANSI C89.1 for load inrush capability.
• Integrally molded, flame retardant (IEC 707/ISO Class1210) Terminal Blocks provide greater terminal contact area and improved conductivity.
• Heavy gauge steel mounting plate
• Mounting dimensions are compatible with similar control transformers.
• Secondary fuse holders (FB2X) included for 13/32 x 1½ cartridges (fuses not included).
• Factory-installed fuse holders are available(See W, WA & WB options).
• Ten year limited warranty
Certifications and Compliances
• Listed: E77014
- UL 506
- CSA C22.2 No. 66
• RoHS Compliant
Related Products
• Linear Power Supplies
• DIN Rail DC Power Supplies
• Constant Voltage Transformers
• See SBE Accessories
SBE - 封装、铜绕线系列
SBE 封装工业控制变压器
采用环氧树脂封装,以密封变压器绕组,使其免受潮气、污垢和工业污染物的影响。 超深的模制端子隔板减少了因电弧或磨损的导线而导致电气故障的可能性。 SBE 设计的坚固结构和久经考验的可靠性特别适用于所有工业环境。
特征
• 50 - 1000 VA,50/60 Hz – 适用于全球应用。
• 交错式铜绕组可降低I2R 损耗并最大限度地提高效率。
• 55°C 升温、105°C 绝缘系统可最大限度地减少热量
• 环氧树脂封装以保护磁芯和线圈免受潮湿、污垢和其他污染物的影响。
• 符合或超过 NEMA 标准 ST-1 和 ANSI C89.1 的负载浪涌能力。
• 一体成型、阻燃(IEC 707/ISO Class1210)接线端子提供更大的端子接触面积和改进的导电性。
• 重型钢安装板
• 安装尺寸与类似的控制变压器兼容。
• 包括用于 13/32 x 1½ 墨盒的辅助保险丝座 (FB2X)(不包括保险丝)。
• 提供工厂安装的保险丝座(参见W、WA 和WB 选项)。
• 十年有限保修
认证和合规性
• 上市:E77014
- UL 506
- CSA C22.2 第 66 号
• 符合 RoHS 标准
相关产品
• 线性电源
• DIN 导轨直流电源
• 恒压变压器
• 查看 SBE 配件
SOLAHD变压器其他常用型号:
SOLAHD E050
SOLAHD E075
SOLAHD E100
SOLAHD E150
SOLAHD E200
SOLAHD E250
SOLAHD E300
SOLAHD E350
SOLAHD E500
SOLAHD E750
SOLAHD E1000
SOLAHD transformer NEW + ORIGINAL+ ONE YEAR WARRANTY
爱泽工业集产品开发、设计、制造、销售、于一体,代理经营世界先进的电气自动化、机械与传动、流体控制、仪器仪表、工具等产品。作为电气,液压以及气动解决方案的合作伙伴,我们利用我们的全球协作团队,为客户提供先进解决方案,市场知识以及相关增值服务来帮助优化客户的工作效率,提高可靠性和安全性,致力于成为工业产品和解决方案的优质渠道。
如果有任何关于SOLAHD变压器E300的疑问,请随时与我们沟通(021-31006702)。我们将尽全力解决您的问题。
If you have any question for SOLAHD products, please feel free to dial 0086-21-3100 6702/ send request email to sales@ize-industries.com / browse our website: www.ize-industries.com.
SOLAHD变压器E300规格描述

















沪公网安备31011002006738号