APPLETON接线盒GRFT75-A技术参数
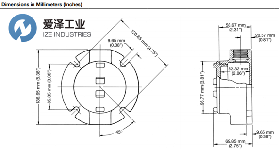
Catalog Number | GRFT75-A |
Hub Type | GRFT |
Conduit Size(Inches) | 3/4 |
Cover Openingmm (in) | 85.9 (3.38) |
Capacity dm3 (in3) | 0.29 (18.0) |
Aluminum Body with Aluminum Cover | |
APPLETON接线盒GRF系列产品介绍
符合广泛的分类区域要求。
耐腐蚀性:理想的室内或室外。
提供便于牵引、连接、维护和未来的更改和升级。
允许连接直管运行,分支管道运行和90度弯头
特点
GRF箱体装有完整的安装法兰。
可锻铸铁阀体具有较高的抗拉强度、延展性,并具有良好的抗腐蚀、冲击和冲击性能。
精确敲打的锥形轮毂螺纹,用于紧密、刚性接头和接地连续性。
带有盖。
通用接线。
当与密封盖一起使用时,可用作密封配件。
内部螺纹阀体与外部螺纹阀盖。
盖子上有撬杆或扳手的撬口。
容纳密封,圆顶,轮毂和联合轮毂盖,和天篷。
标准的o形环提供防雨配合。nema3、4。
内部接地螺钉标准。
每个轮毂型箱内光滑、圆形整体衬套保护导体绝缘。
Complies with a wide range of classified area requirements.
Corrosion-resistant: ideal indoors or out.
To provide access to conductors for pulling, splicing,maintenance and future changes and upgrades.
Allows connection of straight conduit runs, branch conduit runs and 90° bends
Features
GRF boxes have integral mounting flange.
Malleable iron bodies have high tensile strength, ductility and provides great resistance to corrosion, impact, and shock.
Accurately tapped, tapered hub threads for tight, rigid joints and ground continuity.
Furnished with covers.
General purpose wiring.
Function as sealing fittings when used with sealing covers .
Internally threaded body with externally threaded cover.
Covers have pry notches for bar or wrench.
Accommodate sealing, dome, hub and union hub covers, and canopies.
Standard o-rings provide rain tight fit. NEMA 3, 4.
Internal ground screw standard.
Smooth, rounded integral bushing in each hub type box protects conductor insulation.
APPLETON接线盒GRF系列选型


APPLETON接线盒GRF系列其他常用型号:
APPLETON GRFT50
APPLETON GRFT50-A
APPLETON GRFT75
APPLETON GRFT75-A
APPLETON GRFT100-A
APPLETON GRFL50-A
APPLETON GRFL75
APPLETON GRFL75-A
APPLETON GRFL100
APPLETON GRFL100-A
APPLETON Conduit Outlet Boxes NEW + ORIGINAL+ ONE YEAR WARRANTY
爱泽工业成立于2010年,定位于向制造工业提供高端制造技术和设备。代理经营世界优质的电气自动化、机械与传动、流体控制、仪器仪表、工具等产品。作为电气,液压以及气动解决方案的合作伙伴,我们利用我们的全球协作团队,为客户提供先进解决方案,市场知识以及相关增值服务来帮助优化客户的工作效率,提高可靠性和安全性,致力于成为工业产品和解决方案的优质渠道。
如果有任何关于APPLETON接线盒GRFT75-A的疑问,请随时与我们沟通(021-31006702)。我们将尽全力解决您的问题。
If you have any question for APPLETON products, please feel free to dial 0086-21-3100 6702/ send request email to sales@ize-industries.com / browse our website:www.ize-industries.com.
APPLETON接线盒GRFT75-A技术参数










沪公网安备31011002006738号